Pretraga
Aksijalne Rozenberg® aksijalne cevaste jedinice
DETALJI O RADU
Visoko efikasni aksijalni ventilatori se koriste kada je potrebno rukovati velikim količinama vazduha srednjeg ili niskog pritiska.
Tačnije, provode se kroz pocinkovane limene kanale za ventilaciju, hlađenje ili sušenje različitih tipova sistema.
NAPOMENA:
Prilikom izbora ventilatora i radnih krivih kontaktirajte naše prodajno odeljenje ili pošaljite e-poštu na ventilazione@faet.it. Ventilator će biti dimenzionisan na osnovu vaših potreba i biće vam poslat prilagođeni tehnički informativni list.
DODACI NA ZAHTEV:
Elastična prirubnica
Kontraprirubnica
Automatski zatvarač za aksijalne ventilatore
PREDNOSTI:
Veoma ergonomski
Široko polje primene
100% kontinuirana regulacija sa autotransformatorom ili elektronikom
Brza i jednostavna instalacija u svakom potrebnom položaju
Standardna karakteristika: Ugrađena zaštita motora termičkim kontaktima
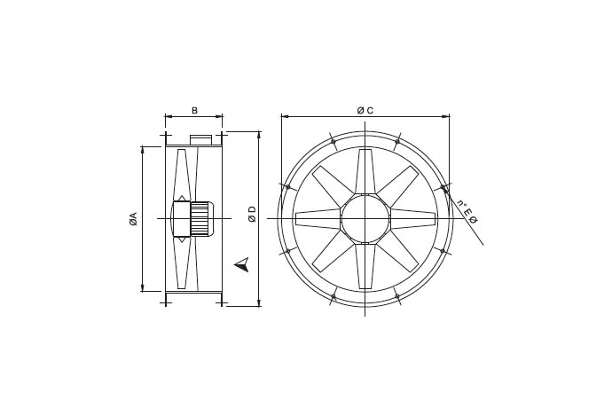
KARAKTERISTIKE KONSTRUKCIJE
Visoko efikasni aksijalni ventilatori se koriste kada je potrebno rukovati velikim količinama vazduha srednjeg ili niskog pritiska.
KUĆIŠTE
Kućišta aksijalnih ventilatora visokog prinosa su napravljena od vruće pocinkovanog čelika i elektrostatički ofarbana sintetičkom smolom u prahu.
VENTILATORI
Aksijalni ventilatori visokog učinka opremljeni su aerodinamički profilisanim lopaticama (veličina 200 do 300 od ofarbanog pocinkovanog čeličnog lima. Veličine od 315 do 630-6 od plastike i od 630-4 do 1000 od aluminijuma).
Ventilatori ili lopatice su montirani direktno na rotore motora sa spoljnim rotorom. Jedinica motora ventilatora je balansirana sa stepenom balansiranja G 2,5 u skladu sa DIN / ISO 1940.
ELEKTRIKTIČNA VEZA
Motori imaju bočni kabl. Električna veza se vrši preko IP44 razvodne kutije koja se isporučuje zajedno sa motorom.


