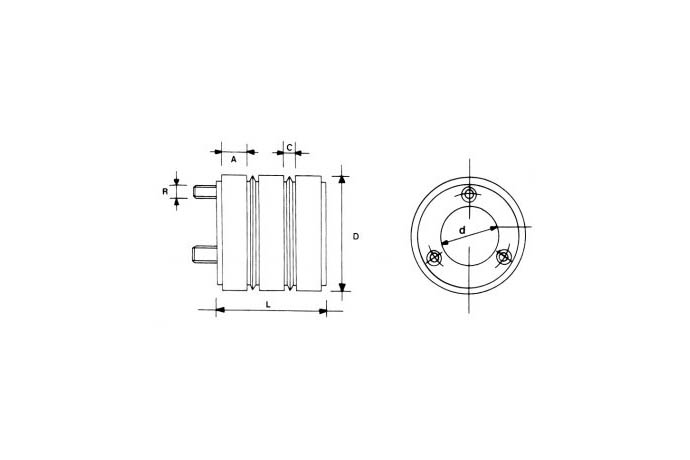
Razvodnici - Kolektori sa 3 prstena

Modeli prikazani u ovom katalogu predstavljaju najčešće tipove koji se obično koriste. Kupci su obavešteni da se bilo koji drugi model može isporučiti na osnovu specifičnih zahteva.

Pakovanja: pojedinačni artikli.