Pretraga



Pentovalentne standardne jedinice(samo motor)
MOTORI SA ZAŠTIĆENIM POLOVIMA
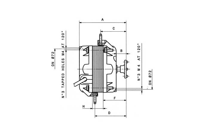
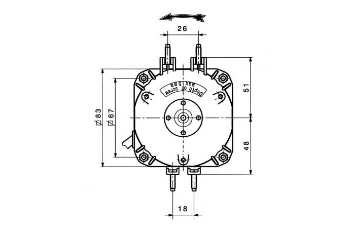
Motori višenamenske verzije imaju nožice za ploče razmaknute 18 mm i 26 mm i 3 otvora sa navojem M4, raspoređene pod uglom od 120° na prednjem i zadnjem poklopcu. Električni priključak koristi tropolni kabl (2P+E) – dužine 600 mm. Prikazani modeli su obično dostupni na lageru.
1300/1500 o/min.
UPOTREBA (oblasti primene):
Rashladni pultovi i/ili sistemi za zamrzavanje.
Podaci sa pločice sa podacima: Napon 220/240V, Frekvencija 50/60 Hz
(*) VDE: Tip motora odobren od strane nemačkog tela u skladu sa međunarodnim standardima EN 60-335.1 i EN 60-335.2.24
za tropska okruženja do 43°C.
